- Главная
- Каталог
- Крепеж
- Фланцы, заглушки, втулки
- Заглушки
- Поворотная заглушка АТК 26 18 5 93
Поворотная заглушка АТК 26 18 5 93
- обтюратор
- реверсивная заглушка
- межфланцевая заглушка
-
Назначение и варианты исполнения
Заглушка поворотная АТК — один из элементов трубопроводов, назначение которого в перекрытии потока транспортируемой жидкости или газа. Обиходные названия изделия:
- обтюратор;
- реверсивная заглушка;
- межфланцевая заглушка.
Заглушка производится из углеродистой, нержавеющей или легированной стали в соответствии с условиями, где ей предстоит эксплуатироваться. Марка стали подбирается с учетом материала, из которого произведены фланцы. Примерный срок использования — 10 лет, при условии установки со специальными прокладками. Температура, при которой применяются заглушки от — 70 до +475 градусов Цельсия.
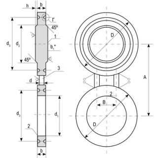
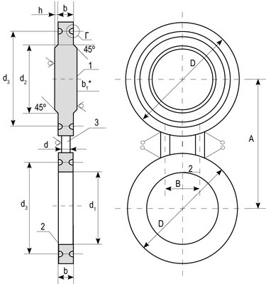
Заглушки поворотные (реверсивные) состоят из:
- кольцевой фланцевой части;
- заглушечной части (глухая);
- соединительных прутков (2 штуки).
Прутки, соединенные с другими частями, надежно скрепляют конструкцию и упрощают процесс монтажа.
Санкт-Петербургский Завод крепежных изделий (СПбЗКИ) выпускает следующие типы реверсивных заглушек:
- с соединительным выступом (выдерживают давление16/25/40/ кгс/см2);
- с системой впадина-выступ (выдерживают давление16/40/63/100 кгс/см2);
- для овальных прокладок (выдерживают давление 63/ 100/160 кгс/см2).
Показатели элементов соединения соответствуют требованиям ГОСТ 12815-80. Первые два типа изделий рассчитаны на фланцы с уплотнительной поверхностью № 1 (выступ) и № 2-№ 3 (впадина-выступ). Третий — для фланцев с уплотнительной поверхностью № 7.
Материал фланцев должен быть идентичным заглушкам и иметь качества, подходящие для функционирования в определенной среде (коррозионная устойчивость, твердость и пр.).
Для чего нужны заглушки
Заглушки устанавливаются для того, чтобы перекрывать и снова открывать трубопровод на период:
- ремонта;
- профилактических мероприятий;
- продувки;
- гидроиспытаний;
- консервации определенных веток.
Использование этих изделий при редких остановках трубопровода экономически выгодней, чем установка запорной арматуры, стоимость которой в несколько раз выше.
Однако, если перекрывать поток приходится часто, рациональней использовать задвижку или шаровый кран, поскольку установка заглушки — долгий процесс.
Как происходит установка заглушек
Детали устанавливаются между фланцами. За счет соответствия уплотнительных поверхностей фланцев с соединительными пазами или выступами заглушки соединение получается герметичным.
Заглушка перемещается вокруг оси в роли которой выступает болт, которым стянуто фланцевое соединение. Либо эту функцию выполняют отжимные болты, которыми стягивают фланцы.
Устройство работает лишь в двух положениях — открытом и закрытом. Частичное открывание — технически неосуществимо, для этих целей нужен шаровый кран.
Санкт-Петербургский Завод крепежных изделий (СПбЗКИ) предлагает купить заглушки поворотные АТК 26 18 5 93 собственного производства. Продукция рассчитана на десятилетнюю эксплуатацию при условии подбора соответствующих фланцев.
Собственная служба доставки привезет заказ в пределах города и области. Возможна доставка до терминала транспортной компании. Сотрудничаем со службами:
- ТК «Деловые Линии»;
- ТК «ПЭК».
Для подбора необходимого крепежа оставьте заявку на сайте или звоните нашим менеджерам.
Заглушка поворотная АТК — один из элементов трубопроводов, назначение которого в перекрытии потока транспортируемой жидкости или газа. Обиходные названия изделия:
- обтюратор;
- реверсивная заглушка;
- межфланцевая заглушка.
Заглушка производится из углеродистой, нержавеющей или легированной стали в соответствии с условиями, где ей предстоит эксплуатироваться. Марка стали подбирается с учетом материала, из которого произведены фланцы. Примерный срок использования — 10 лет, при условии установки со специальными прокладками. Температура, при которой применяются заглушки от — 70 до +475 градусов Цельсия.
Заглушки поворотные (реверсивные) состоят из:
- кольцевой фланцевой части;
- заглушечной части (глухая);
- соединительных прутков (2 штуки).
Прутки, соединенные с другими частями, надежно скрепляют конструкцию и упрощают процесс монтажа.
Санкт-Петербургский Завод крепежных изделий (СПбЗКИ) выпускает следующие типы реверсивных заглушек:
- с соединительным выступом (выдерживают давление16/25/40/ кгс/см2);
- с системой впадина-выступ (выдерживают давление16/40/63/100 кгс/см2);
- для овальных прокладок (выдерживают давление 63/ 100/160 кгс/см2).
Показатели элементов соединения соответствуют требованиям ГОСТ 12815-80. Первые два типа изделий рассчитаны на фланцы с уплотнительной поверхностью № 1 (выступ) и № 2-№ 3 (впадина-выступ). Третий — для фланцев с уплотнительной поверхностью № 7.
Материал фланцев должен быть идентичным заглушкам и иметь качества, подходящие для функционирования в определенной среде (коррозионная устойчивость, твердость и пр.).
Для чего нужны заглушки
Заглушки устанавливаются для того, чтобы перекрывать и снова открывать трубопровод на период:
- ремонта;
- профилактических мероприятий;
- продувки;
- гидроиспытаний;
- консервации определенных веток.
Использование этих изделий при редких остановках трубопровода экономически выгодней, чем установка запорной арматуры, стоимость которой в несколько раз выше.
Однако, если перекрывать поток приходится часто, рациональней использовать задвижку или шаровый кран, поскольку установка заглушки — долгий процесс.
Как происходит установка заглушек
Детали устанавливаются между фланцами. За счет соответствия уплотнительных поверхностей фланцев с соединительными пазами или выступами заглушки соединение получается герметичным.
Заглушка перемещается вокруг оси в роли которой выступает болт, которым стянуто фланцевое соединение. Либо эту функцию выполняют отжимные болты, которыми стягивают фланцы.
Устройство работает лишь в двух положениях — открытом и закрытом. Частичное открывание — технически неосуществимо, для этих целей нужен шаровый кран.
Санкт-Петербургский Завод крепежных изделий (СПбЗКИ) предлагает купить заглушки поворотные АТК 26 18 5 93 собственного производства. Продукция рассчитана на десятилетнюю эксплуатацию при условии подбора соответствующих фланцев.
Собственная служба доставки привезет заказ в пределах города и области. Возможна доставка до терминала транспортной компании. Сотрудничаем со службами:
- ТК «Деловые Линии»;
- ТК «ПЭК».
Для подбора необходимого крепежа оставьте заявку на сайте или звоните нашим менеджерам.




